annulla
Visualizzazione dei risultati per 
Cerca invece 
Intendevi dire: 

Iscriviti adesso. Entra a far parte della nostra community!

Problema modalità DRC su Tv KDL-46X4500

profile.country.IT.title
Luke1965
Esploratore

Problema modalità DRC su Tv KDL-46X4500

Ciao a Tutti! Dal 2008 possiedo un SONY KDL-46X44500 che ha sempre funzionato molto bene! Tuttavia da un po’ di tempo mi sono accorto che l'immagine della TV (proveniente da qualsiasi sorgente sai sat che hdmi o usb) si presenta come “disturbata” da linee verticali uniformi che appaiono sulle immagini a colori ma non se accedo ai menu o  su parti scritte tipo Televideo che restano libere da disturbi. 

Leggendo sui vari forum anche stranieri per cercare soluzioni, ho provato ad accedere al menu "immagine" del televisore e sono andato sulla modalità DRC.

Come l’ho impostata su OFF (presenta anche Modalità 1 e Modalità 2) le linee sono sparite con un'immagine pulita e limpida come se il Televisore non avesse alcun tipo di problematica. Al contrario come commuto su una delle due modalità DRC (con qualsiasi segnale in ingresso Hd e non) le linee ritornano. 

Ai lettori piu esperti o al team Sony vorrei chiedere se si tratta di una situazione normale per cui occorre solo disattivare la modalità DRC (ad oggi non piu utile per la qualità dei segnali video in ingresso o per altra ragione tecnica) oppure potrebbe essere sintomo di qualche problema piu serio a livello di schede interne (main Board o t-Con)? Vi ringrazio anticipatamente per l’attenzione e il tempo che potrete dedicarmi! 

PS allego foto prelevate dal Web che rappresentano la situazione al meglio 

 

Modalità DRC2Modalità DRC2

 

Modalità DRC1Modalità DRC1

5 RISPOSTE 5
profile.country.IT.title
Marino.Manolo
Genius

Un qualche problemino all'elettronica di gestione del DRC però sembra esserci... Poi se puoi risolvere semplicemente disattivandolo potresti accontentarti...

Manolo



profile.country.IT.title
Luke1965
Esploratore

Manolo ti ringrazio. Nel caso sai mica quale scheda devo cercare per l’eventuale sostituzione? Buona serata 

profile.country.IT.title
Marino.Manolo
Genius

Onestamente qui non posso aiutarti, ti occorre per forza di cose rivolgerti ad un'Assistenza Sony sperando che qualcuno sia in grado di rispondere alla tua domanda.

Manolo



profile.country.IT.title
Marino.Manolo
Genius

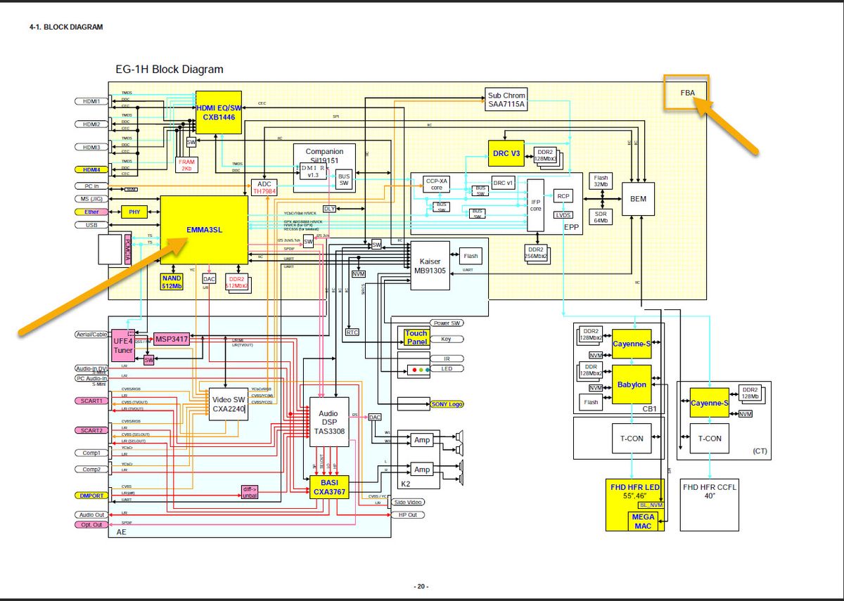
Ho dato un'occhiata al Manuale di Servizio del tuo modello, non lavoro per Sony e non sono un Ingegnere Elettronico, ad ogni modo, se è il Chip Nec EMMA3SL il Processore Video del tuo TV, e controlla in DRC (Digital Reality Creation) allora quest'ultimo si trova sulla Motherboard:

 

MB.jpg

Manolo



profile.country.IT.title
Luke1965
Esploratore

Gentilissimo! Farò tesoro della indicazione, grazie ancora